Serratura Blindo per Montanti Iseo 791100352

63,21 €
Tasse incluse

Hai bisogno di grandi quantità? Contattaci e ti faremo un prezzo speciale!



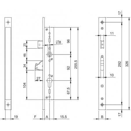
Frontale a U mm 326x24x6 in acciaio INOX. Entrata mm 35

Descrizione

Serratura Blindo da infilare per montanti, CHIUSURA LATERALE CATENACCIO ROTANTE, interasse mm 92, cilindro a profilo europeo.

CATENACCIO rotante mandata da mm 27 con placche di rivestimento in acciaio carbonitrurato antitrapano e antitaglio.

Scrocco reversibile e regolabile. Possibilità di sostituire lo scrocco con il rullo o con il tappo per chiusura solo CATENACCIO.

Richiamo scrocco, o rullo, con chiave o QUADRO MANIGLIA mm 8.

Vite per cilindro. 2 terminali in nylon per la versione a U. Foglio istruzioni.

Accessori abbinabili:

Rullo modulare per foro scrocco - cod. 040801/2/3/4

Ghiera di protezione cilindro - cod. 040809

Piastra antitrapano per protezione serratura - cod. 040805. 25/30/35/40

Iseo
03656

Riferimenti Specifici

ean13
8020614081549